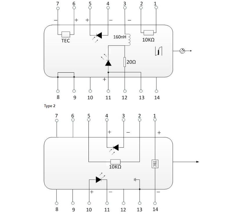
1368nm 10mW DFB Butterfly Laser is a cost effective, highly coherent laser diode, the DFB laser chip is packaged in an industry standard hermetically sealed 14 pin butterfly package with TEC and PD built in. It can be used for H2O gas detection.
High 10mW output power;
High-performance, multiquantum well (MQW) distributed-feedback (DFB) laser;
Industry-standard, 14PIN butterfly package;
Built-in TEC and optical isolator;
Customer specific wavelength available.
H2O Gas detection.;
Fiber optical sensors;
Laser sources;
